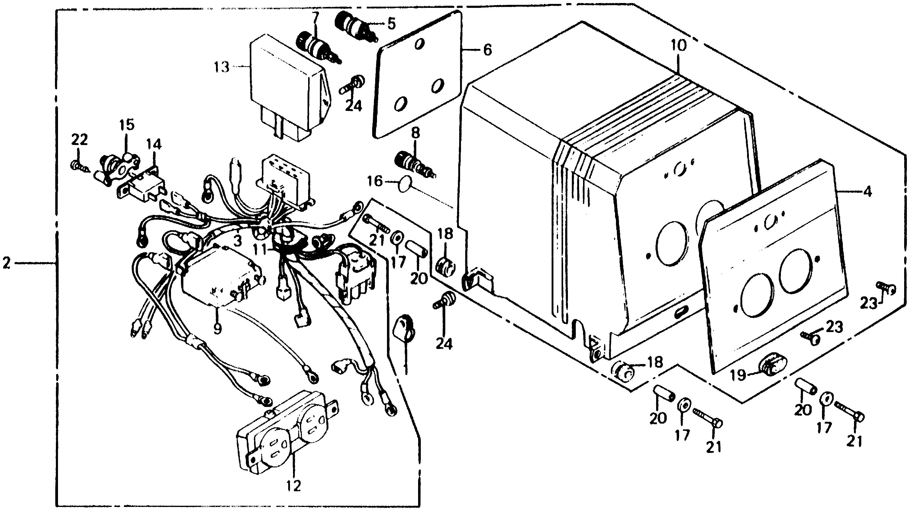
Generators EG EG1400 EG1400Z A GE150-1000001-9999999 CONTROL BOX - Gerald Jones Honda

Ref No
Part Number
Description
Serial Range
Qty
Price

Ref No
1
Part Number
30565-ZA5-000
Description
CLAMP B, CABLE
Serial Range
1000001 - 9999999

Ref No
2
Part Number
31400-ZA4-830H
Description
BOX ASSY., CONTROL *R8* (BRIGHT RED)
Serial Range
1000001 - 9999999

Ref No
3
Part Number
31404-ZA4-830
Description
WIRE HARNESS ASSY.
Serial Range
1000001 - 9999999

Ref No
4
Part Number
31406-ZA4-820
Description
MARK, SWITCH PANEL
Serial Range
1000001 - 9999999

Ref No
5
Part Number
31408-880-000
Description
TERMINAL, D.C. OUTPUT (+)
Serial Range
1000001 - 9999999
Qty
Price
$45.58

Ref No
6
Part Number
31409-ZA4-830
Description
MARK, RR. PANEL
Serial Range
1000001 - 9999999

Ref No
7
Part Number
31409-880-000
Description
TERMINAL, D.C. OUTPUT (-)
Serial Range
1000001 - 9999999
Qty
Price
$45.58

Ref No
8
Part Number
31428-ZA5-003
Description
TERMINAL ASSY., GROUND (NOT AVAILABLE)
Serial Range
1000001 - 9999999

Ref No
9
Part Number
31430-ZA4-800
Description
BREAKER, CIRCUIT (11.5A) (NOT AVAILABLE)
Serial Range
1000001 - 9999999

Ref No
10
Part Number
31450-ZA4-830H
Description
BOX, CONTROL *R8* (BRIGHT RED)
Serial Range
1000001 - 9999999

Ref No
11
Part Number
31481-ZA5-800
Description
GROMMET, WIRE
Serial Range
1000001 - 9999999

Ref No
12
Part Number
32330-ZA3-003
Description
RECEPTACLE (15A-125V)
Serial Range
1000001 - 9999999

Ref No
13
Part Number
32350-ZA3-003
Description
REGULATOR ASSY., AUTOMATIC VOLTAGE
Serial Range
1000001 - 1009420

Ref No
13
Part Number
32350-ZA3-013
Description
REGULATOR ASSY., AUTOMATIC VOLTAGE (NOT AVAILABLE)
Serial Range
1009421 - 9999999

Ref No
13
Part Number
32350-ZA3-305
Description
REGULATOR ASSY., AUTOMATIC VOLTAGE (NOT AVAILABLE)
Serial Range
1000001 - 9999999

Ref No
14
Part Number
38240-898-000
Description
PROTECTOR, CIRCUIT (D.C.)
Serial Range
1000001 - 9999999
Qty
Price
$35.98

Ref No
15
Part Number
38250-898-000
Description
LENS ASSY., PROTECTOR
Serial Range
1000001 - 9999999
Qty
Price
$23.90

Ref No
16
Part Number
87534-892-640
Description
MARK, GROUND
Serial Range
1000001 - 9999999
Qty
Price
$2.40

Ref No
17
Part Number
90506-500-000
Description
WASHER, AIR DUCT
Serial Range
1000001 - 9999999

Ref No
18
Part Number
90852-898-000
Description
RUBBER, CONTROL BOX
Serial Range
1000001 - 9999999
Qty
Price
$4.92

Ref No
19
Part Number
90853-ZA3-000
Description
RUBBER, CONTROL BOX
Serial Range
1000001 - 9999999
Qty
Price
$4.90

Ref No
20
Part Number
91552-ZA5-000
Description
COLLAR, CONTROL BOX (NA USE ALT:91552-898-000)
Serial Range
1000001 - 9999999

Ref No
21
Part Number
92101-06025-0A
Description
BOLT, HEX. (6X25)
Serial Range
1000001 - 9999999
Qty
Price
$1.98

Ref No
22
Part Number
93500-03012-0A
Description
SCREW, PAN (3X12)
Serial Range
1000001 - 9999999
Qty
Price
$1.00

Ref No
23
Part Number
93500-04006-0A
Description
SCREW, PAN (4X6)
Serial Range
1000001 - 9999999
Qty
Price
$1.00

Ref No
24
Part Number
93891-05012-00
Description
SCREW-WASHER (5X12)
Serial Range
1000001 - 9999999
Qty
Price
$1.40