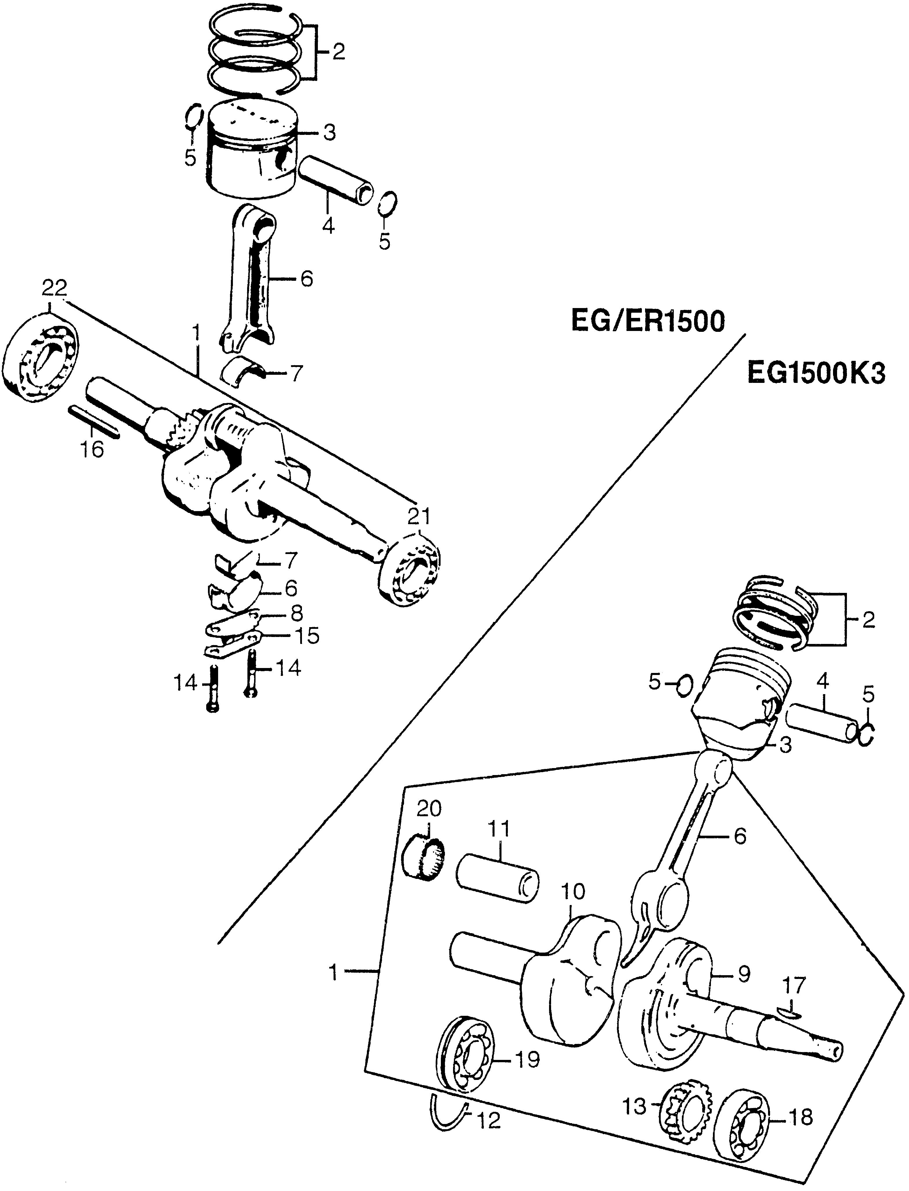
Generators EG EG1500 EG1500 A G41-1018501-1071999 CRANKSHAFT@PISTON - Gerald Jones Honda

Ref No
Part Number
Description
Serial Range
Qty
Price

Ref No
1
Part Number
13000-848-010
Description
CRANKSHAFT ASSY. (NOT AVAILABLE)
Serial Range
1000001 - 9999999

Ref No
2
Part Number
13011-848-010
Description
RING SET, PISTON (STD)
Serial Range
1000001 - 9999999
Qty
Price
$38.36

Ref No
2
Part Number
13021-848-000
Description
RING SET, PISTON (OVER SIZE) (0.25) (NOT AVAILABLE)
Serial Range
1000001 - 9999999

Ref No
2
Part Number
13031-848-000
Description
RING SET, PISTON (OVER SIZE) (0.50)
Serial Range
1000001 - 9999999

Ref No
2
Part Number
13041-848-000
Description
RING SET, PISTON (OVER SIZE) (0.75) (NOT AVAILABLE)
Serial Range
1000001 - 9999999

Ref No
3
Part Number
13101-848-010
Description
PISTON (STD) (NOT AVAILABLE)
Serial Range
1000001 - 9999999

Ref No
3
Part Number
13102-848-000
Description
PISTON (OVER SIZE) (0.25) (NOT AVAILABLE)
Serial Range
1000001 - 9999999

Ref No
3
Part Number
13103-848-000
Description
PISTON (OVER SIZE) (0.50)
Serial Range
1000001 - 9999999

Ref No
3
Part Number
13104-848-000
Description
PISTON (OVER SIZE) (0.75) (NOT AVAILABLE)
Serial Range
1000001 - 9999999

Ref No
4
Part Number
13111-805-000
Description
PIN, PISTON (NOT AVAILABLE)
Serial Range
1000001 - 9999999

Ref No
5
Part Number
94601-18000
Description
CLIP, PISTON PIN (18MM)
Serial Range
1000001 - 9999999
Qty
Price
$1.24

Ref No
6
Part Number
13200-848-020
Description
ROD, CONNECTING (NOT AVAILABLE)
Serial Range
1000001 - 9999999

Ref No
7
Part Number
13203-848-000
Description
BEARING, CONNECTING ROD (STD) (NOT AVAILABLE)
Serial Range
1000001 - 9999999

Ref No
7
Part Number
13204-848-000
Description
BEARING, CONNECTING ROD (0.25) (NOT AVAILABLE)
Serial Range
1000001 - 9999999

Ref No
7
Part Number
13205-848-000
Description
BEARING, CONNECTING ROD (0.50)
Serial Range
1000001 - 9999999

Ref No
7
Part Number
13206-848-000
Description
ROD, BEARING (NOT AVAILABLE)
Serial Range
1000001 - 9999999

Ref No
8
Part Number
13208-848-000
Description
OIL DIPPER
Serial Range
1053792 - 9999999

Ref No
14
Part Number
90001-848-000
Description
BOLT, CONNECTING ROD (NOT AVAILABLE)
Serial Range
1000001 - 1053791

Ref No
14
Part Number
90001-848-020
Description
BOLT, CONNECTING ROD
Serial Range
1053792 - 9999999

Ref No
15
Part Number
90005-848-000
Description
WASHER, CONNECTING ROD LOCK
Serial Range
1000001 - 1053791

Ref No
15
Part Number
90005-848-020
Description
WASHER, CONNECTING ROD LOCK
Serial Range
1053792 - 9999999

Ref No
16
Part Number
90741-889-810
Description
KEY (7X7X33) (OVER SIZE) (YELLOW)
Serial Range
1053792 - 9999999
Qty
Price
$9.32

Ref No
21
Part Number
96100-62050-10
Description
BEARING, RADIAL BALL (6205)
Serial Range
1000001 - 9999999
Qty
Price
$26.56

Ref No
22
Part Number
96100-62060-00
Description
BEARING, RADIAL BALL (6206)
Serial Range
1000001 - 9999999
Qty
Price
$30.46