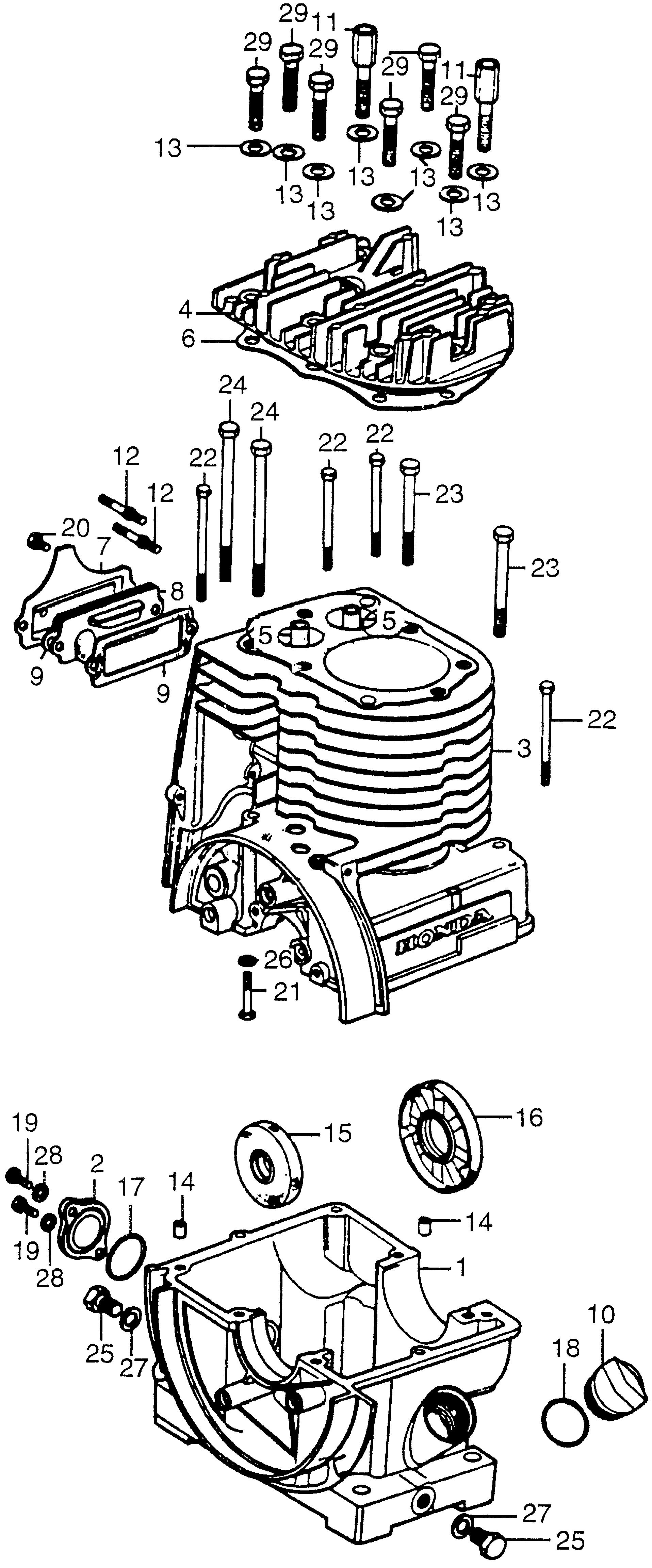
Ref No
Part Number
Description
Serial Range
Qty
Price
Ref No 1
Part Number 11200-865-000
Description PAN, OIL
Serial Range 1000001 - 9999999
Ref No 2
Part Number 11210-822-010
Description COVER, OIL PAN HOLE
Serial Range 1000001 - 9999999
Qty
Price $3.84
Add To Cart
Ref No 3
Part Number 12100-865-030
Description CYLINDER
Serial Range 1000001 - 9999999
Ref No 4
Part Number 12201-865-000
Description CYLINDER HEAD (NOT AVAILABLE)
Serial Range 1000001 - 9999999
Ref No 5
Part Number 12236-822-305
Description GUIDE, VALVE (NOT AVAILABLE)
Serial Range 1000001 - 9999999
Ref No 6
Part Number 12251-843-306
Description GASKET, CYLINDER HEAD
Serial Range 1000001 - 9999999
Qty
Price $33.10
Add To Cart
Ref No 7
Part Number 12361-865-010
Description COVER, TAPPET
Serial Range 1000001 - 9999999
Ref No 8
Part Number 12370-843-000
Description SEPARATOR, OIL
Serial Range 1000001 - 9999999
Ref No 9
Part Number 12372-822-000
Description GASKET, BREATHER CASE (NOT AVAILABLE)
Serial Range 1000001 - 9999999
Ref No 10
Part Number 15611-921-000
Description CAP, OIL (YELLOW)
Serial Range 1000001 - 9999999
Qty
Price $13.48
Add To Cart
Ref No 11
Part Number 90001-822-000
Description BOLT, CYLINDER HEAD CLAMP
Serial Range 1000001 - 2001782
Ref No 11
Part Number 90001-865-000
Description BOLT, CYLINDER HEAD CLAMP
Serial Range 2001783 - 9999999
Ref No 12
Part Number 90062-822-701
Description BOLT, STUD (8X39) (NOT AVAILABLE)
Serial Range 2001783 - 9999999
Qty
Price $2.82
Add To Cart
Ref No 13
Part Number 90402-822-000
Description WASHER, HEAD (8MM)
Serial Range 1000001 - 9999999
Qty
Price $1.74
Add To Cart
Ref No 14
Part Number 90701-200-000
Description PIN, KNOCK (8.5X11) (NOT AVAILABLE)
Serial Range 1000001 - 9999999
Ref No 15
Part Number 91201-822-003
Description OIL SEAL (PJ20528)
Serial Range 1000001 - 9999999
Qty
Price $18.34
Add To Cart
Ref No 16
Part Number 91204-805-003
Description OIL SEAL (30X65X10) (NOT AVAILABLE)
Serial Range 1000001 - 9999999
Ref No 17
Part Number 91301-028-000
Description O-RING (27X2.0)
Serial Range 1000001 - 9999999
Qty
Price $3.74
Add To Cart
Ref No 17
Part Number 91305-KF0-003
Description O-RING (27X2) (ARAI)
Serial Range 1000001 - 9999999
Qty
Price $3.74
Add To Cart
Ref No 18
Part Number 91301-805-000
Description O-RING (26X2.7)
Serial Range 1000001 - 9999999
Qty
Price $4.86
Add To Cart
Ref No 19
Part Number 92101-06012-0A
Description BOLT, HEX. (6X12)
Serial Range 1000001 - 9999999
Qty
Price $1.72
Add To Cart
Ref No 20
Part Number 92101-06016-0A
Description BOLT, HEX. (6X16)
Serial Range 1000001 - 9999999
Qty
Price $1.78
Add To Cart
Ref No 21
Part Number 92101-06032-0A
Description BOLT, HEX. (6X32)
Serial Range 1000001 - 9999999
Qty
Price $2.10
Add To Cart
Ref No 22
Part Number 92101-06070-0A
Description BOLT, HEX. (6X70)
Serial Range 1000001 - 9999999
Qty
Price $2.86
Add To Cart
Ref No 23
Part Number 92000-08070-0A
Description BOLT, HEX. (8X70)
Serial Range 1000001 - 9999999
Ref No 23
Part Number 92200-08070-0A
Description BOLT, HEX. (8X70) (NOT AVAILABLE)
Serial Range 1000001 - 9999999
Ref No 24
Part Number 92000-08100-0A
Description BOLT, HEX. (8X100)
Serial Range 1000001 - 9999999
Ref No 25
Part Number 92800-12000
Description BOLT, DRAIN PLUG (12MM)
Serial Range 1000001 - 9999999
Qty
Price $4.72
Add To Cart
Ref No 26
Part Number 94101-06800
Description WASHER, PLAIN (6MM)
Serial Range 1000001 - 9999999
Qty
Price $0.80
Add To Cart
Ref No 27
Part Number 94109-12000
Description WASHER, DRAIN PLUG (12MM)
Serial Range 1000001 - 9999999
Qty
Price $1.50
Add To Cart
Ref No 28
Part Number 94111-06000
Description WASHER, SPRING (6MM)
Serial Range 1000001 - 9999999
Qty
Price $1.14
Add To Cart
Ref No 29
Part Number 95125-08036
Description BOLT, HEX. (8X36)
Serial Range 1000001 - 9999999