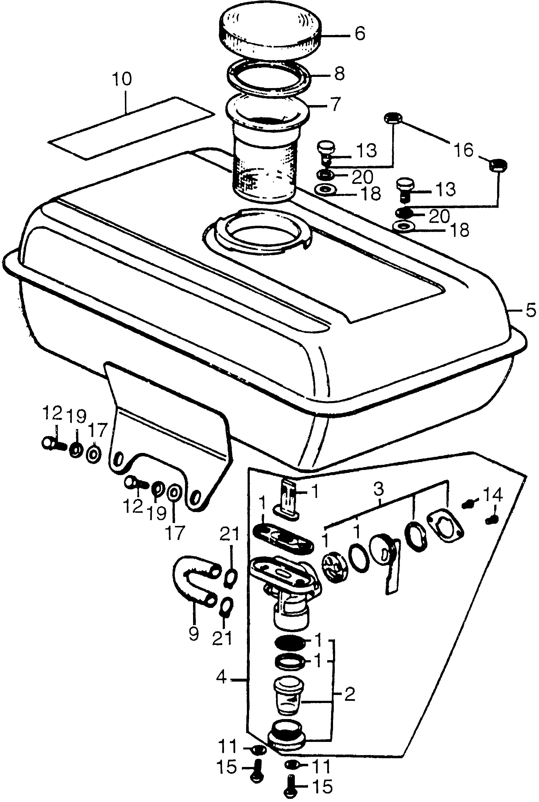
Generators EG EG1500 EG1500K3 A G42-200000-2193508 EG1500 FUEL TANK - Gerald Jones Honda

Ref No
Part Number
Description
Serial Range
Qty
Price

Ref No
1
Part Number
16080-865-005
Description
GASKET SET, VALVE
Serial Range
1057001 - 9999999
Qty
Price
$40.44

Ref No
2
Part Number
16081-865-305
Description
CUP SET, STRAINER
Serial Range
1057001 - 9999999
Qty
Price
$35.70

Ref No
3
Part Number
16082-843-005
Description
LEVER SET, VALVE (NOT AVAILABLE)
Serial Range
1000001 - 9999999

Ref No
4
Part Number
16950-865-044
Description
PETCOCK ASSY.
Serial Range
1000001 - 9999999

Ref No
4
Part Number
16950-865-701
Description
PETCOCK ASSY. (NOT AVAILABLE)
Serial Range
1000001 - 9999999

Ref No
5
Part Number
17500-865-663XC
Description
TANK, FUEL *NH31* (MCKINLEY WHITE) (NOT AVAILABLE)
Serial Range
1000001 - 9999999

Ref No
6
Part Number
17650-805-750
Description
CAP, FUEL TANK (NOT AVAILABLE)
Serial Range
1000001 - 9999999

Ref No
7
Part Number
17672-703-020
Description
FILTER, FUEL (NOT AVAILABLE)
Serial Range
1000001 - 9999999

Ref No
8
Part Number
17673-703-030
Description
GASKET, FUEL FILTER (NOT AVAILABLE)
Serial Range
1000001 - 9999999

Ref No
9
Part Number
17685-865-030
Description
TUBE, FUEL (NOT AVAILABLE)
Serial Range
1000001 - 9999999

Ref No
10
Part Number
87522-836-670
Description
MARK A, CAUTION (NOT AVAILABLE)
Serial Range
1000001 - 9999999

Ref No
11
Part Number
90445-700-000
Description
GASKET, FIBER (6MM)
Serial Range
1000001 - 9999999

Ref No
12
Part Number
92101-06016-0A
Description
BOLT, HEX. (6X16)
Serial Range
1000001 - 9999999
Qty
Price
$1.78

Ref No
13
Part Number
92101-08020-0A
Description
BOLT, HEX. (8X20)
Serial Range
1000001 - 2001782
Qty
Price
$1.98

Ref No
14
Part Number
93500-03008-0A
Description
SCREW, PAN (3X8)
Serial Range
2001783 - 9999999
Qty
Price
$1.00

Ref No
15
Part Number
93500-06016-0A
Description
SCREW, PAN (6X16)
Serial Range
2001783 - 9999999
Qty
Price
$1.40

Ref No
16
Part Number
94001-08000-0S
Description
NUT, HEX. (8MM)
Serial Range
2001783 - 9999999
Qty
Price
$1.60

Ref No
17
Part Number
94101-06800
Description
WASHER, PLAIN (6MM)
Serial Range
2001783 - 9999999
Qty
Price
$0.80

Ref No
18
Part Number
94101-08000
Description
WASHER, PLAIN (8MM)
Serial Range
1000001 - 9999999
Qty
Price
$1.00

Ref No
19
Part Number
94111-06000
Description
WASHER, SPRING (6MM)
Serial Range
1000001 - 9999999
Qty
Price
$1.14

Ref No
20
Part Number
94111-08000
Description
WASHER, SPRING (8MM)
Serial Range
1000001 - 9999999
Qty
Price
$1.20

Ref No
21
Part Number
95002-02100
Description
CLIP, TUBE (B10)
Serial Range
1000001 - 9999999
Qty
Price
$2.32