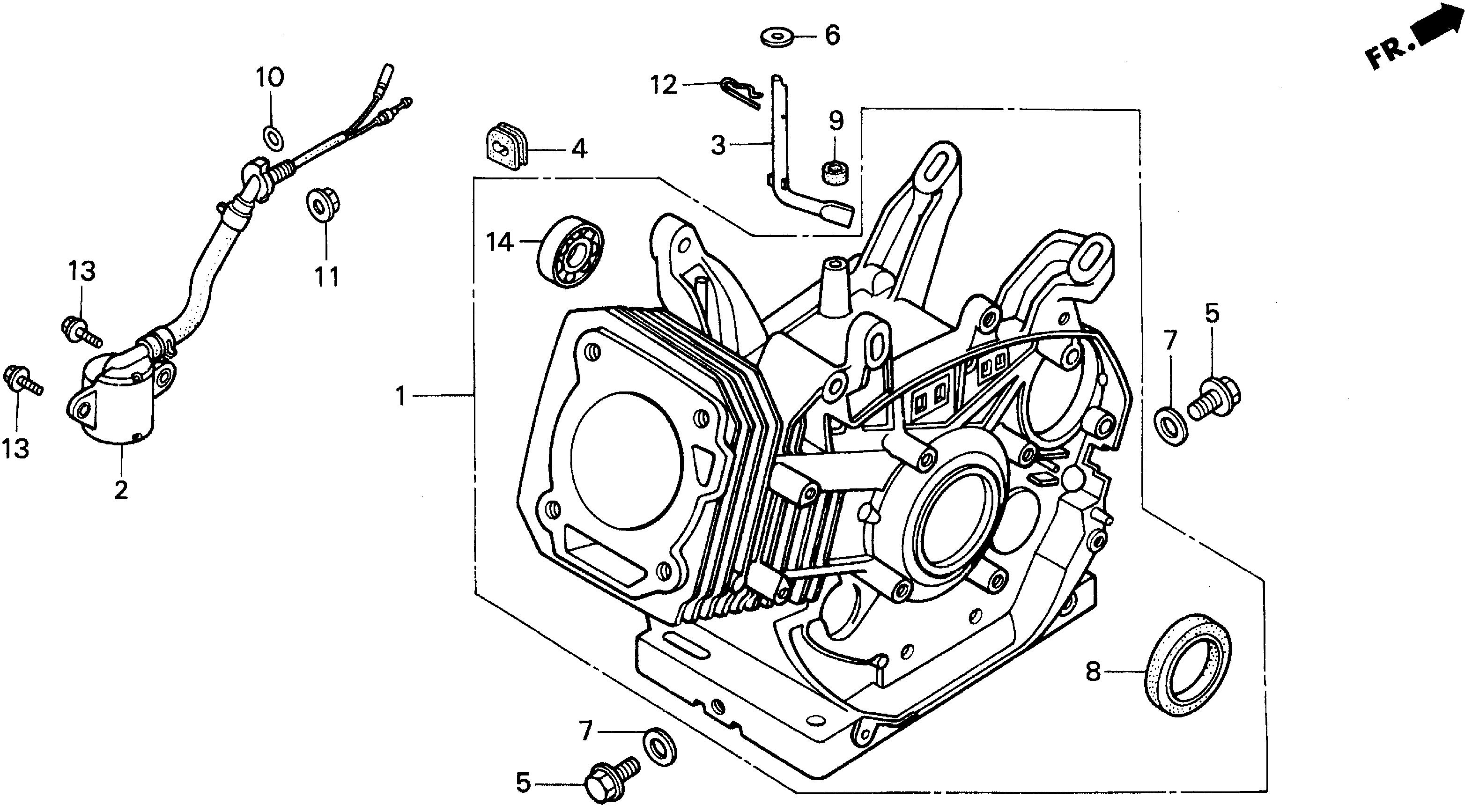
Generators EG EG5000 EG5000X AR EA7-4000001-4100000 CYLINDER - Gerald Jones Honda

Ref No
Part Number
Description
Serial Range
Qty
Price

Ref No
1
Part Number
12000-ZE3-416
Description
CYLINDER ASSY. (ALERT)
Serial Range
1000001 - 9999999
Qty
Price
$799.68

Ref No
2
Part Number
15510-ZE2-033
Description
SWITCH ASSY., OIL LEVEL
Serial Range
1000001 - 9999999

Ref No
2
Part Number
15510-ZE2-043
Description
SWITCH ASSY., OIL LEVEL
Serial Range
1000001 - 9999999
Qty
Price
$61.02

Ref No
2
Part Number
15510-ZE2-053
Description
SWITCH ASSY., OIL LEVEL
Serial Range
1000001 - 9999999
Qty
Price
$61.02

Ref No
3
Part Number
16541-ZE3-010
Description
SHAFT, GOVERNOR ARM
Serial Range
1000001 - 9999999
Qty
Price
$15.38

Ref No
4
Part Number
31512-ZE2-000
Description
GROMMET, WIRE
Serial Range
1253118 - 9999999
Qty
Price
$3.82

Ref No
5
Part Number
90131-896-650
Description
BOLT, DRAIN PLUG (12X15)
Serial Range
1253118 - 9999999

Ref No
6
Part Number
90446-KE1-000
Description
WASHER (8.2X17X0.8)
Serial Range
1000001 - 9999999
Qty
Price
$2.16

Ref No
7
Part Number
90601-ZE2-000
Description
WASHER, DRAIN PLUG (12MM)
Serial Range
1000001 - 1463925
Qty
Price
$3.16

Ref No
7
Part Number
94109-12000
Description
WASHER, DRAIN PLUG (12MM)
Serial Range
1463926 - 9999999
Qty
Price
$1.50

Ref No
8
Part Number
91201-ZE3-004
Description
OIL SEAL (35X52X8)
Serial Range
1463926 - 9999999
Qty
Price
$10.62

Ref No
9
Part Number
91201-ZE9-003
Description
OIL SEAL (8X14X5)
Serial Range
1000001 - 9999999
Qty
Price
$5.10

Ref No
9
Part Number
91203-952-771
Description
OIL SEAL (8X14X5)
Serial Range
1000001 - 9999999

Ref No
10
Part Number
91353-671-003
Description
O-RING (13.5X1.5) (ARAI)
Serial Range
1000001 - 9999999
Qty
Price
$3.50

Ref No
11
Part Number
94050-10000
Description
NUT, FLANGE (10MM)
Serial Range
1000001 - 9999999

Ref No
12
Part Number
94251-08000
Description
PIN, LOCK (8MM)
Serial Range
1000001 - 9999999
Qty
Price
$1.50

Ref No
13
Part Number
95701-06012-00
Description
BOLT, FLANGE (6X12)
Serial Range
1000001 - 9999999
Qty
Price
$1.98

Ref No
14
Part Number
96100-62020-00
Description
BEARING, RADIAL BALL (6202)
Serial Range
1000001 - 9999999