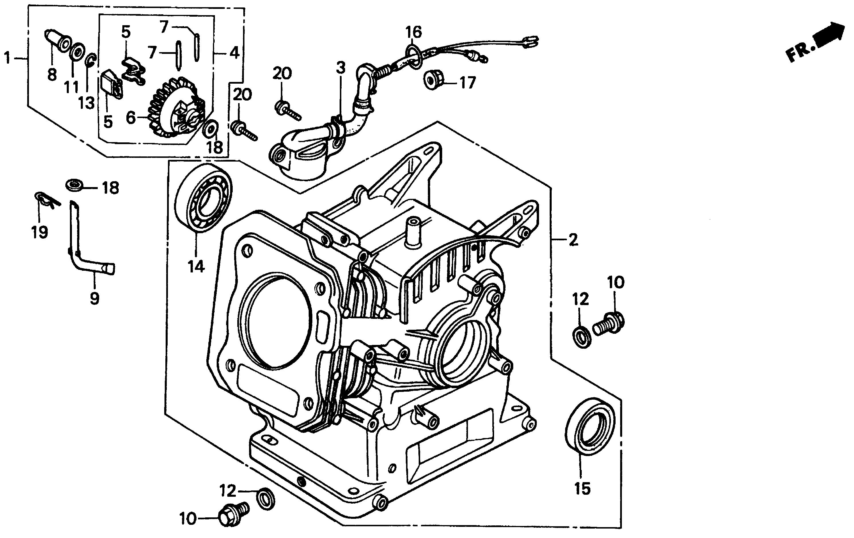
Generators EZ EZ2500 EZ2500 A EZEJ-1000001-9999999 CYLINDER - Gerald Jones Honda

Ref No
Part Number
Description
Serial Range
Qty
Price

Ref No
1
Part Number
06165-ZE1-000
Description
GOVERNOR KIT
Serial Range
1000001 - 9999999
Qty
Price
$17.88

Ref No
2
Part Number
12000-ZH8-426
Description
CYLINDER ASSY. (OIL ALERT)
Serial Range
1000001 - 9999999
Qty
Price
$456.59

Ref No
3
Part Number
15510-ZE1-043
Description
SWITCH ASSY., OIL LEVEL
Serial Range
1000001 - 9999999
Qty
Price
$64.54

Ref No
4
Part Number
16510-ZE1-000
Description
GOVERNOR ASSY.
Serial Range
1000001 - 9999999
Qty
Price
$16.66

Ref No
5
Part Number
16511-ZE1-000
Description
WEIGHT, GOVERNOR
Serial Range
1000001 - 9999999
Qty
Price
$3.82

Ref No
6
Part Number
16512-ZE1-000
Description
HOLDER, GOVERNOR WEIGHT
Serial Range
1000001 - 9999999
Qty
Price
$24.26

Ref No
7
Part Number
16513-ZE1-000
Description
PIN, GOVERNOR WEIGHT
Serial Range
1000001 - 9999999
Qty
Price
$2.22

Ref No
8
Part Number
16531-ZE1-000
Description
SLIDER, GOVERNOR
Serial Range
1000001 - 9999999
Qty
Price
$3.54

Ref No
9
Part Number
16541-ZE1-000
Description
SHAFT, GOVERNOR ARM
Serial Range
1000001 - 9999999
Qty
Price
$12.56

Ref No
10
Part Number
90131-ZE1-000
Description
BOLT, DRAIN PLUG
Serial Range
1000001 - 9999999
Qty
Price
$2.96

Ref No
11
Part Number
90451-ZE1-000
Description
WASHER, THRUST (6MM)
Serial Range
1000001 - 9999999
Qty
Price
$1.92

Ref No
12
Part Number
90601-ZE1-000
Description
WASHER, DRAIN PLUG (10.2MM)
Serial Range
1000001 - 9999999

Ref No
13
Part Number
90602-ZE1-000
Description
CLIP, GOVERNOR HOLDER
Serial Range
1000001 - 9999999
Qty
Price
$1.68

Ref No
14
Part Number
91001-ZF1-003
Description
BEARING, RADIAL BALL (6205TMB) (NTN)
Serial Range
1000001 - 9999999
Qty
Price
$24.28

Ref No
15
Part Number
91201-Z0T-801
Description
OIL SEAL (25X41X6) (NOK)
Serial Range
1000001 - 9999999

Ref No
16
Part Number
91353-671-003
Description
O-RING (13.5X1.5) (ARAI)
Serial Range
1000001 - 9999999
Qty
Price
$3.50

Ref No
17
Part Number
94050-10000
Description
NUT, FLANGE (10MM)
Serial Range
1000001 - 9999999

Ref No
18
Part Number
94101-06800
Description
WASHER, PLAIN (6MM)
Serial Range
1000001 - 9999999
Qty
Price
$0.80

Ref No
19
Part Number
94251-08000
Description
PIN, LOCK (8MM)
Serial Range
1000001 - 9999999
Qty
Price
$1.50

Ref No
20
Part Number
95701-06012-00
Description
BOLT, FLANGE (6X12)
Serial Range
1000001 - 9999999
Qty
Price
$1.98